
Language

Product Brief Description
8.5×8.5 mm high-profile pushbutton switches are widely used in various consumer electronics, industrial automation equipment, and automotive electronics.
ODM/OEM Service
Source Factory
Stable Daily Output
High Quality
Multiple Payment Methods
Pre/After Service
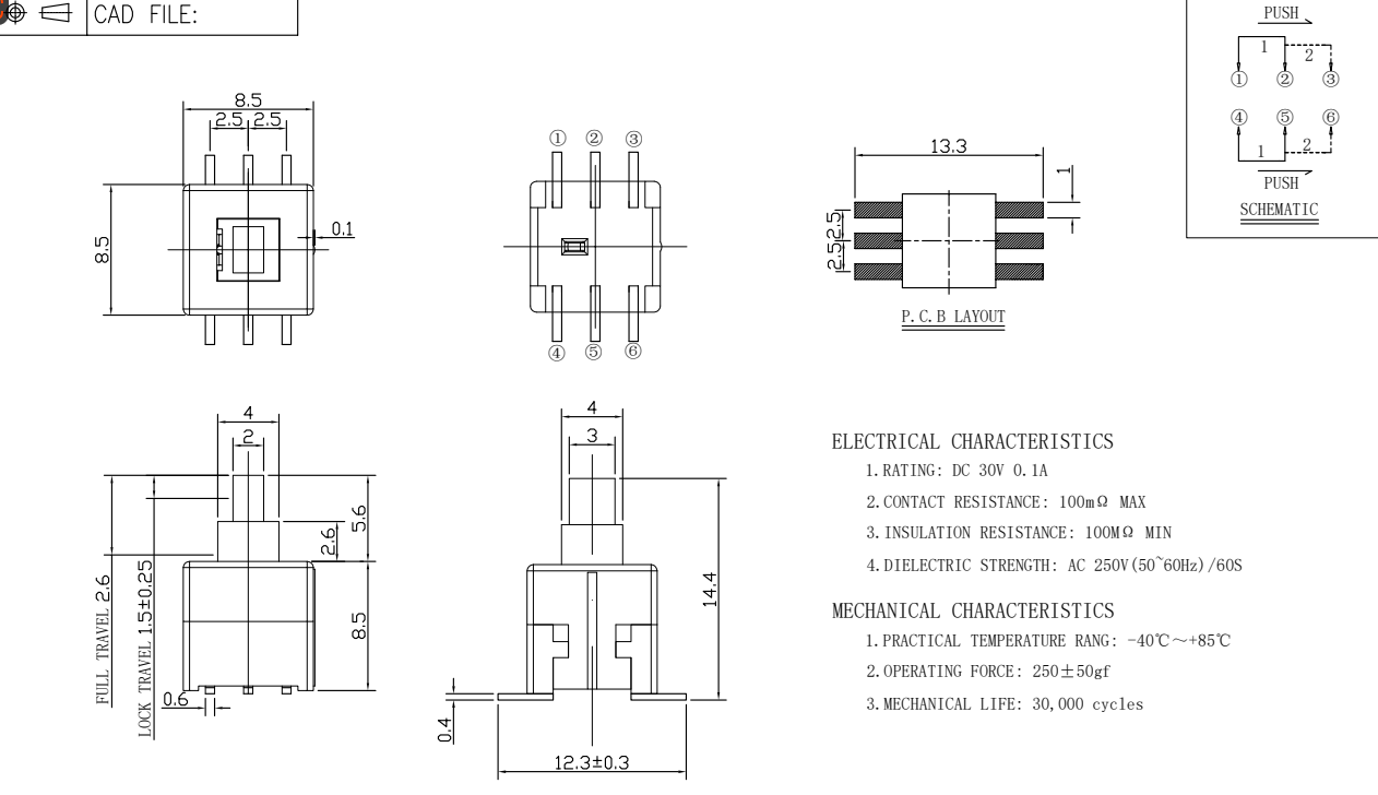
8.5*8.5mm Push Button Switch Appearance and Structure

- Dimensions: The base of this switch measures 8.5 mm × 8.5 mm, making it a compact push-button switch suitable for electronic devices with limited space.
- Head Design: It features a high-profile design with a prominently raised button head. This design makes the switch easier to press and provides a distinct tactile feedback, making it particularly suitable for use while wearing gloves or in special environments.
- Housing Material: The housing is typically made of high-temperature-resistant, flame-retardant plastics, such as polybutylene terephthalate (PBT), which offer excellent mechanical strength and stability, effectively protecting
SMD Push Button Switch Application

- Consumer Electronics: Widely used in various consumer electronic products, such as remote controls, electronic toys, and digital cameras, serving as power switches, function selection switches, and more.
- Industrial Control: Used in industrial automation equipment and instruments for functions such as operation control and parameter settings; its stable performance can withstand various interferences and harsh conditions in industrial environments.
- Automotive Electronics: Suitable for various control switches inside vehicles, such as window control switches and rearview mirror adjustment switches, meeting the stringent reliability and safety requirements of automotive electronics.
| Function | 2P2T |
| Travel | 2.0±0.15mm |
| Mechanism | 30000 cycles |
| Operating Force | 250+ 50gf |
| Rating | DC 30V 0. 1A |

Previous: 2P Psuh Button Switch

Tel:
Add:
Rixing Industrial Zone,Tangxia Town, Dongguan City, Guangdong Province, China
Copyright © 2026 KKG ELECTRONICS ELECTRIC C0., LTD. All rights reserved
Privacy policy Cookie tracking






