
Product Brief Description
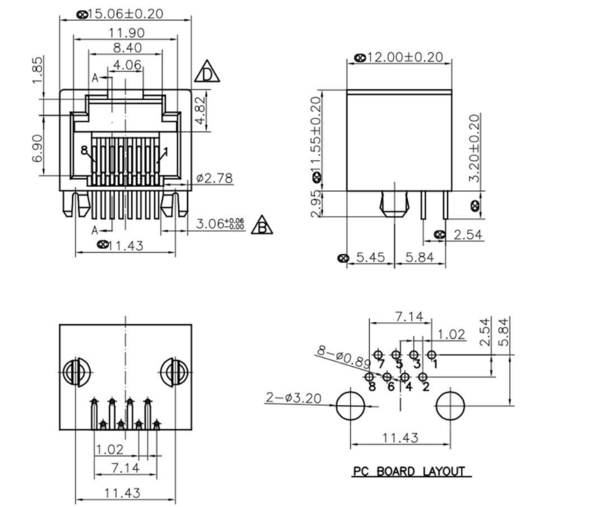
The RJ45-8407 1X1 is a professional-grade shielded 8P8C modular jack designed for EMI-sensitive environments. It features a right-angle PCB mount configuration with a metal shell and side grounding tabs ("fins") for superior noise suppression. Rated for 1.5A at 125V AC, it is ideal for industrial networking, medical devices, and high-speed data applications requiring reliable signal integrity.
ODM/OEM Service
Source Factory
Stable Daily Output
High Quality
Multiple Payment Methods
Pre/After Service
| Rating | 125V AC 1.5A Max |
|---|---|
| Contact Resistance | 30mΩ Max |
| Operating Temperature | -40℃ to +85℃ |
Siemens LOGO! RJ45 Socket's Product Introduction
KKG Electronics presents the RJ45-8407 1X1, a robust
TP-Link TL-SG105E RJ45 Socket's Product Operating Principle
Shielding Connectivity: The external metal shell connects to the PCB ground plane via side tabs creating a Faraday cage that drains EMI/RFI noise away from the signal.
Dahua IPC-HFW2431S RJ45 Socket's Product Functions
Interference Suppression: Protects data integrity in electrically noisy environments by shielding the sensitive high-speed differential pairs from external radiation and static discharge.


Industrial Automation: Integrated into the communication module of the
KKG Electronics uses temperature-resistant materials and high-temperature testing equipment.
The product's appearance does not change when tested at 260°C for 5 minutes!

We ensure high production efficiency and ship your order within 7 days after payment.

Q1. What's your lead time?
A: Gernally speaking it is needed 2 weeks if your quantity below 10K pcs, and it depends on the quantity.
Q2. Are you a factory or trading company?
A: We are the leading manufacturer of electronics. Why not conatct us now to discover original factory prices!
Q3. How can you ensure the quality?
A: All our products are 100% tested before delivery. Durable quality is guaranteed.
Q4. Can you provide samples?
A: Yes, we offer free samples and you only need to bear express charge.
Q5. What is the shipping cost?
A: Depending upon the quantity and the destination, we will check for you if you provide the information to us.

Tel:
Add:
Rixing Industrial Zone,Tangxia Town, Dongguan City, Guangdong Province, China
Copyright © 2026 KKG ELECTRONICS ELECTRIC C0., LTD. All rights reserved
Privacy policy Cookie tracking