
Product Brief Description
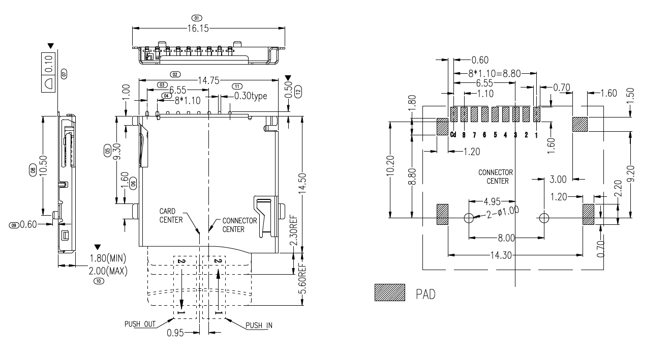
The TF-0052 is a surface-mount TransFlash (Micro SD) card connector featuring a reliable push-push ejection mechanism. It has a compact footprint of 16.15mm x 14.75mm and a low profile height of 1.80mm. Rated for 0.5A at 100V AC, it includes an integrated card detection switch and gold-plated contacts, ensuring high-speed data transmission and mechanical durability.
ODM/OEM Service
Source Factory
Stable Daily Output
High Quality
Multiple Payment Methods
Pre/After Service
Valve Steam Deck TF Card Connector's Product Introduction
KKG Electronics presents the TF-0052, a high-precision storage interface designed for modern electronic devices. While primarily a TransFlash memory holder, its robust construction rivals the durability of a premium
Vantrue N4 TF Card Connector's Product Operating Principle
Push-Push Ejection: The connector features an internal cam and spring system where pushing the card in locks it effectively and a second push releases the spring to eject the card.
Reolink Argus 3 Pro TF Card Connector's Product Functions
Storage Interface: Acts as the physical bridge for SPI or SDIO communication protocols allowing the device to read and write data to external flash memory.


Security Cameras: Integrated into the mainboard of the
KKG Electronics uses temperature-resistant materials and high-temperature testing equipment.
The product's appearance does not change when tested at 260°C for 5 minutes!

We ensure high production efficiency and ship your order within 7 days after payment.

Q1: May I have free samples?
A: Sure, but we need to confirm the product details before shipment. Besides, it is better to provide the AI format artwork to us.
Q2: When can I get the quotation?
A: We will send you quotation within 24 hours after providing product details.
Q3: How long will the samples take to my place?
A: It depends on the express solution you choose, normally it will take 3-5 working days for the fastest way in hihgest price. And commonly in 5-8 days for the cost-effective way.
Q4: Can you accept small order? Like 1000 pcs or 2000 pcs?
A: Sure, but we suggest you buy more, because it really can save your time and freight charge in the near future.
Q5. What about the shipping cost?
A: Depending upon the quantity, shipping method and destination, we will check for you soon if you provide the information to us.

Tel:
Add:
Rixing Industrial Zone,Tangxia Town, Dongguan City, Guangdong Province, China
Copyright © 2026 KKG ELECTRONICS ELECTRIC C0., LTD. All rights reserved
Privacy policy Cookie tracking