
Language

Product Brief Description
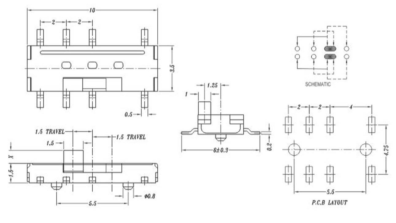
The KKG MS-23C01 is a low-profile, Double Pole, 3-Throw (DP3T) smd slide switch. This 8-pin component offers three distinct positions (On-On-On), allowing for complex control over two independent circuits with a single actuator, making it ideal for multi-mode devices.
ODM/OEM Service
Source Factory
Stable Daily Output
High Quality
Multiple Payment Methods
Pre/After Service
| Characteristics | Specification |
|---|---|
| Rating | 100mA, 12V DC |
| Operating Temperature | -25℃~+70℃ |
| Dielectric Strength | 250VAC for 1 minute |
| Insulation Resistance | 100MΩ (min.) at 500VDC |
| Contact Resistance | 50mΩ (max.) |
| Operation Force | 250gf ± 100gf |
| Travel | 1.5mm |
| Life Span | 10,000 Cycles Min |
The KKG MS-23C01 is a highly versatile and compact switching solution designed for modern, feature-rich electronics. This advanced
Dual-Pole, 3-Throw Action: A single actuator moves two independent internal contacts (poles) across three distinct terminal positions, allowing each pole to connect to one of three throws.
Complex Signal Routing: Enables the simultaneous redirection of two separate signals (e.g., stereo audio) to one of three different outputs or processing paths.


Audio Equipment: Used as a gain or filter switch on headphone amplifiers like the
KKG Electronics uses temperature-resistant materials and high-temperature testing equipment.
The product's appearance does not change when tested at 260°C for 5 minutes!

We ensure high production efficiency and ship your order within 7 days after payment.
Q1:Are you a factory or trade company?
A:We are factory with more than 15 years of experience specialized in producing switches, sockets, connetors, DC Jacks, etc.
Q2: What is the turnaround time for rapid prototyping of modified designs?
A: Prototypes are delivered in 7-10 working days post-design approval. Submit CAD files and specifications to activate priority engineering review.
Q3: How do you ensure long-term product availability for legacy systems?
A: We guarantee 15-year lifecycle support with EOL (End-of-Life) notifications 24 months in advance and bridge manufacturing options.
Q4: Can you accept small order? Like 1000 pcs or 2000 pcs?
A: Sure, but we suggest you buy more, because it really can save your time and freight charge in the near future.
Q5:What kind of files are required for quotation?
A: For PCB quotation, please provide the Gerber data / files and indication of related technical requirements as well as any special.

Tel:
Add:
Rixing Industrial Zone,Tangxia Town, Dongguan City, Guangdong Province, China
Copyright © 2025 KKG ELECTRONICS ELECTRIC Co., LTD. All rights reserved
Privacy policy Cookie tracking








